网站首页
关于我们
公司简介
资质证书
产品中心
户外高压真空断路器
户内高压真空断路器
户内高压隔离开关
户外高压隔离开关
户内高压真空负荷开关
户内高压接地开关
高压开关设备
电缆分支箱
箱式变电站
低压开关设备
低压开关
避雷器
绝缘子
新闻资讯
公司新闻
行业动态
产品应用
资料下载
联系我们
首页
关于我们
公司简介
资质证书
产品中心
户外高压真空断路器
户内高压真空断路器
户内高压隔离开关
户外高压隔离开关
户内高压真空负荷开关
户内高压接地开关
高压开关设备
电缆分支箱
箱式变电站
低压开关设备
低压开关
避雷器
绝缘子
新闻资讯
公司新闻
行业动态
产品应用
资料下载
联系我们
产品中心
PRODUCT
产品中心
首页
-
产品中心
-
户外高压真空断路器
-
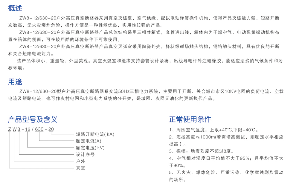
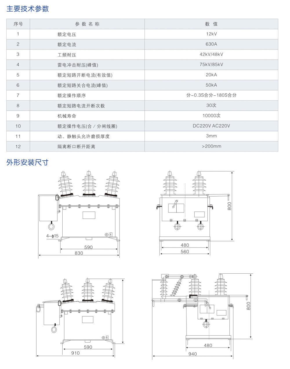
ZW8-12-630-20
ZW8-12-630-20
如果您有任何问题可以联系我们!
联系我们
电话:13587462495 13567775242
扫一扫,加我为朋友
详细信息
详细信息
ZW7-40
ZW8-12-630-20-2
返回
相关产品
FZW28Z-12
FZW32-12
FZW-40.5
LW8-40
ZW7-40.5-2
ZW7-40
联系我们
浙江省乐清市城南街道汇丰路69号
13587462495 13567775242
首页
/
关于我们
/
产品中心
/
新闻资讯
/
产品应用
/
资料下载
/
联系我们
© 浙江智果电气科技有限公司
浙ICP备2024103434号
XML
网站地图
网站制作维护:
传信网络
微信
咨询
扫一扫,加我为朋友
服务
热线
13587462495
13567775242
服务热线